Waterevolution Flow Wbudowana bateria umywalkowa PVD Gun Metal z wylewką 15 cm T116BME-15

Numer artykułu 1208940141
Waterevolution Flow Wbudowana bateria umywalkowa PVD Gun Metal z wylewką 15 cm T116BME-15
1.656,01 zł 2.284,15 zł wł. 23% VAT
Darmowa dostawa
Zamówione dzisiaj, dostawa w ciągu 5-6 tygodni
Marka
Seria

Długość wybieg. Wariacje

Kolor Wariacje

214.000+ zadowolonych klientów
Darmowa dostawa od 850 zł
Łatwy zwrot w ciągu 30 dni
Przyjazne dla środowiska opcje dostawy
Wszystko o tym produkcie
Informacje o produkcie

Waterevolution Flow Wbudowana bateria umywalkowa PVD Gun Metal z wylewką 15 cm T116BME-15

Elegancki, ponadczasowy i wysokiej jakości: ten zestaw wykończeniowy z serii Waterevolution Flow nadaje łazience minimalistyczny wygląd. Technika pozostaje niewidoczna w ścianie, a wylewka PVD Gun metal o długości 15 cm i elementy sterujące nadają mu wyrafinowany wygląd.

Opis
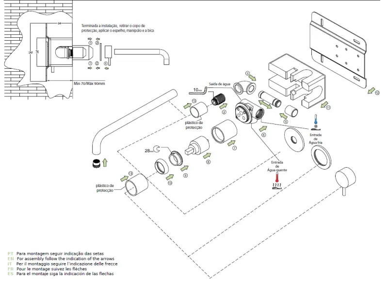
Ten artykuł dotyczy wyłącznie części wykończeniowej (widocznej, zewnętrznej części) baterii umywalkowej do montażu podtynkowego. Do kompletnej instalacji niezbędna jest część podtynkowa. Możesz wybrać jedną z trzech kompatybilnych części podtynkowych, które są dostępne osobno (patrz opcje poniżej).

Właściwości i cechy

MarkaWaterevolution
SeriaFlow
Typ produktuElement wykończeniowy (część widoczna na zewnątrz)
MontażMontaż wpuszczany, konfiguracja 2-otworowa
WykończenieGun metal
Wylewka15 cm
ZastosowanieUmywalka / łazienka
KompatybilnośćMożliwość łączenia z elementami montażowymi Waterevolution (patrz lista wyboru poniżej)
DostawaZestaw wykończeniowy (rozety/elementy sterujące/wylewka); elementy montażowe nie są dołączone


Zalety

  • Minimalistyczny wygląd — widoczne są tylko eleganckie elementy sterujące i wylewka, technika ukryta w ścianie.
  • Trwała jakość — wykończenie w kolorze PVD Gun metal i solidne materiały zapewniające długotrwałe użytkowanie.
  • Elastyczne możliwości kombinacji — wybierz element montażowy pasujący do Twojego projektu (standardowy, regulowany lub z izoboxem).

Uwaga przy zamawianiu

  • Ten artykuł to tylko część wykończeniowa; część montażową trzeba zamówić osobno.
  • Sprawdź kompatybilność z wybraną częścią montażową i żądaną odległością/pozycją.
  • Widoczny zestaw zawiera elementy sterujące/rozety/wylewkę; przyłącza i element montażowy znajdują się w elemencie montażowym.


    Specyfikacje
    Marka Waterevolution
    Kolor Gun metal
    Długość wybieg. 150mm
    Promieniowanie Design
    Seria Flow
    Wnętrze Ceramiczne dyski
    Liczba otworów na kran 2-otworowy
    Wbudowany Tak
    Sposób montażu Wbudowany
    Materiał Stal nierdzewna
    Włącznie z częścią do zabudowy Tak
    Ceramiczna górna część Tak
    Mechanizm zamykający Wkład ceramiczny
    Z rozetami / płytka maskująca Tak
    Uchwyt Bliski chwyt
    Skład Kompletny
    Wymiar rozety maskującej 60
    Wykonanie opóźnienie Stały
    Sposób obsługi Ręka
    Powłoka PVD
    Klasa produktu Kran do umywalki
    Informacje o dostawie
    Większość naszych zamówień jest wysyłana różnymi przewoźnikami. Czasami korzystamy z innych przewoźników do dostarczania specyficznych zamówień lub do odciążenia głównych przewoźników, aby dotrzymać naszych obietnic dotyczących dostawy.

    Oczekiwany czas dostawy jest zawsze wyświetlany na stronie produktu. Większość produktów, które mamy w magazynie, jest wysyłana tego samego dnia. Wieczorem przed dostawą otrzymasz informacje o śledzeniu z oknem czasowym na dostawę. Ważne: kierowcy naszych wybranych przewoźników dostarczają produkty do drzwi wejściowych na parterze.

    Również w przypadku większych produktów, takich jak granitowe zlewozmywaki, duże delikatne zlewozmywaki, szafki itp., wieczorem otrzymasz kod śledzenia. Te produkty nie są dostarczane do sąsiadów i wymagane jest podpisanie, więc ktoś musi być w domu, aby odebrać produkt. Uwaga: te duże produkty nie są dostarczane w soboty!

    Jeśli dostawa dużego produktu nie powiedzie się za pierwszym razem, przewoźnik skontaktuje się z tobą za pośrednictwem e-maila lub SMS-a, aby wysłać ci harmonogram, abyś mógł wybrać moment, kiedy będziesz w domu.

    Dodatkowe opłaty za dostawę w wysokości od 30 € do 100 € dotyczą przesyłek na wyspy, ze względu na dodatkowe koszty logistyczne, takie jak transport wodny i ograniczona dostępność, a także obowiązują dodatkowe opłaty za transport paletowy kruchych i cięższych produktów.
    Informacje o producencie Waterevolution
    Waterevolution

    Waterevolution to portugalski producent baterii łazienkowych, toaletowych i kuchennych. W przeciwieństwie do wielu innych „marek” baterii, Waterevolution jest prawdziwym producentem. Współpracują z czołowymi portugalskimi projektantami przy tworzeniu swoich serii baterii.

    Baterie ze stali nierdzewnej Waterevolution są wykonane w 100% z litej stali nierdzewnej 316. Od niedawna dostępne są również z powłoką PVD w kolorach Gun Metal, Mosiądz, Miedź i Złoto.

    Ponieważ baterie produkowane są w Portugalii, ich cena jest znacznie niższa niż innych europejskich marek baterii designerskich o tej samej jakości.

    Zalety i wady

    Według naszego najlepszego specjalisty

    Warstwa wierzchnia odporna na ścieranie i zarysowania

    Kolory nie blakną szybko
    Odporny na utlenianie i plamy
    Trwalszy niż kolor natryskiwany

    Twarde woda może powodować plamy

    Nie każdy środek czystości jest odpowiedni

    Our top specialist

    Czy masz firmę?

    Uzyskaj dostęp do ekskluzywnych korzyści B2B!

    Poproś o swoje konto B2B
    42 zł Zniżka
    Dołącz do społeczności Loriano dla miłośników udoskonalania domu
    Gotowy/a na kontakt i ekskluzywne treści? Nasz newsletter dostarcza pomysły na styl, przewodniki projektowe, wcześniejszy dostęp do wyprzedaży oraz pierwsze spojrzenia na nowe produkty. Zapisz się teraz i od razu odbierz powitalny kupon o wartości 42 zł!

    Wybierz swój kraj:
    Bank transfer Card Apple Pay Google Pay Przelewy24 Blik
    Loriano.pl | Copyright 2006 - 2026 | Wszelkie prawa zastrzeżone | Ciasteczka