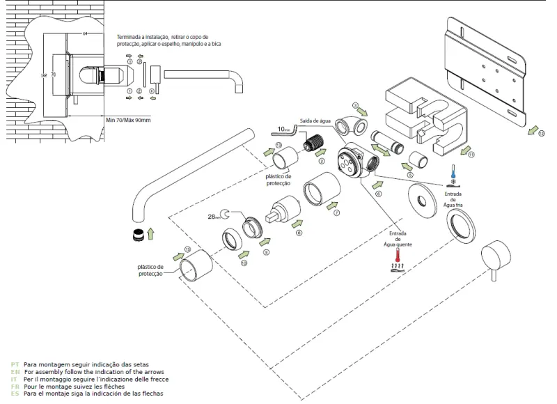
Wodna rewolucja Flow bateria umywalkowa podtynkowa z pokrywą PVD Light Gold z wylewką 25 cm T1161WGE-25

Numer artykułu 1208946354
Wodna rewolucja Flow bateria umywalkowa podtynkowa z pokrywą PVD Light Gold z wylewką 25 cm T1161WGE-25
2.618,62 zł 4.355,20 zł wł. 23% VAT
Darmowa dostawa
Zamówione dzisiaj, dostawa w ciągu 5-6 tygodni
Marka
Seria
214.000+ zadowolonych klientów
Darmowa dostawa od 850 zł
Łatwy zwrot w ciągu 30 dni
Przyjazne dla środowiska opcje dostawy
Wszystko o tym produkcie
Informacje o produkcie

Wodna rewolucja Flow bateria umywalkowa podtynkowa z pokrywą PVD Light Gold z wylewką 25 cm T1161WGE-25

  • PVD Light Gold
  • W zestawie element montażowy
  • Długość wylewki 250 mm
  • Ceramiczny mechanizm
  • Wymiary pokrywy 160 x 80 mm
  • Głębokość montażu 70 mm

Wylewka dostępna w różnych długościach.

Specyfikacje
Marka Waterevolution
Kolor Złoto
Długość wybieg. 250mm
Promieniowanie Design
Seria Flow
Wykonanie Wbudowany
Liczba otworów na kran 2-otworowy
Wbudowany Tak
Sposób montażu Wbudowany
Materiał Stal nierdzewna
Włącznie z częścią do zabudowy Tak
Ceramiczna górna część Tak
Mechanizm zamykający Wkład ceramiczny
Z rozetami / płytka maskująca Tak
Uchwyt Bliski chwyt
Skład Kompletny
Wymiar rozety maskującej 160x80
Wykonanie opóźnienie Stały
Sposób obsługi Ręka
Powłoka PVD
Informacje o dostawie
Większość naszych zamówień jest wysyłana różnymi przewoźnikami. Czasami korzystamy z innych przewoźników do dostarczania specyficznych zamówień lub do odciążenia głównych przewoźników, aby dotrzymać naszych obietnic dotyczących dostawy.

Oczekiwany czas dostawy jest zawsze wyświetlany na stronie produktu. Większość produktów, które mamy w magazynie, jest wysyłana tego samego dnia. Wieczorem przed dostawą otrzymasz informacje o śledzeniu z oknem czasowym na dostawę. Ważne: kierowcy naszych wybranych przewoźników dostarczają produkty do drzwi wejściowych na parterze.

Również w przypadku większych produktów, takich jak granitowe zlewozmywaki, duże delikatne zlewozmywaki, szafki itp., wieczorem otrzymasz kod śledzenia. Te produkty nie są dostarczane do sąsiadów i wymagane jest podpisanie, więc ktoś musi być w domu, aby odebrać produkt. Uwaga: te duże produkty nie są dostarczane w soboty!

Jeśli dostawa dużego produktu nie powiedzie się za pierwszym razem, przewoźnik skontaktuje się z tobą za pośrednictwem e-maila lub SMS-a, aby wysłać ci harmonogram, abyś mógł wybrać moment, kiedy będziesz w domu.

Dodatkowe opłaty za dostawę w wysokości od 30 € do 100 € dotyczą przesyłek na wyspy, ze względu na dodatkowe koszty logistyczne, takie jak transport wodny i ograniczona dostępność, a także obowiązują dodatkowe opłaty za transport paletowy kruchych i cięższych produktów.
Informacje o producencie Waterevolution
Waterevolution

Waterevolution to portugalski producent baterii łazienkowych, toaletowych i kuchennych. W przeciwieństwie do wielu innych „marek” baterii, Waterevolution jest prawdziwym producentem. Współpracują z czołowymi portugalskimi projektantami przy tworzeniu swoich serii baterii.

Baterie ze stali nierdzewnej Waterevolution są wykonane w 100% z litej stali nierdzewnej 316. Od niedawna dostępne są również z powłoką PVD w kolorach Gun Metal, Mosiądz, Miedź i Złoto.

Ponieważ baterie produkowane są w Portugalii, ich cena jest znacznie niższa niż innych europejskich marek baterii designerskich o tej samej jakości.

Zalety i wady

Według naszego najlepszego specjalisty

Warstwa wierzchnia odporna na ścieranie i zarysowania

Kolory nie blakną szybko
Odporny na utlenianie i plamy
Trwalszy niż kolor natryskiwany

Twarde woda może powodować plamy

Nie każdy środek czystości jest odpowiedni

Our top specialist

Czy masz firmę?

Uzyskaj dostęp do ekskluzywnych korzyści B2B!

Poproś o swoje konto B2B
42 zł Zniżka
Dołącz do społeczności Loriano dla miłośników udoskonalania domu
Gotowy/a na kontakt i ekskluzywne treści? Nasz newsletter dostarcza pomysły na styl, przewodniki projektowe, wcześniejszy dostęp do wyprzedaży oraz pierwsze spojrzenia na nowe produkty. Zapisz się teraz i od razu odbierz powitalny kupon o wartości 42 zł!

Wybierz swój kraj:
Bank transfer Card Apple Pay Google Pay Przelewy24 Blik
Loriano.pl | Copyright 2006 - 2026 | Wszelkie prawa zastrzeżone | Ciasteczka